Cilindro Pneumático de Fole Série “D” Aço

Admite até 15% inclinação, entre placas.
Campos de aplicação:
1-Sistemas de desmoldagem em fábricas.
2-Substituição de molas de aço.
3-Sistemas de suspenção industriais.
4-Maquinaria Textil.
5-Maquinaria fabrico de papel
6-Máquinas Vibratórias.
7-Prensas.
8-Forjas.
9-Amortecedores anti-vibratórios para maquinaria e compensadores.
10-Mesas elevatórias.

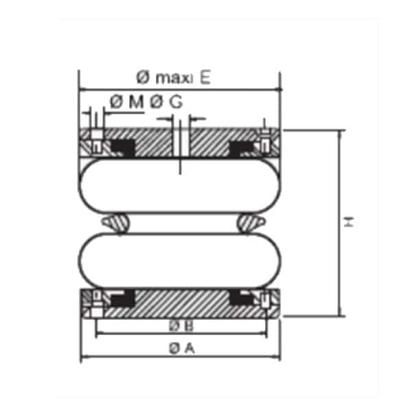
Carateristicas
Código Altura
Min. a 7bars
(mm)
Altura
Máx. a 7bars
(mm)
Curso
Máximo
(mm)
6x1M10,104,650
6X2M12,801,70115
6X3M12,102,70170
8X1187,270
8X219,506150
8X318,805,8225
10X12610,10335
10X227,106,6135
10X3315,7270
Código
E

A

B

M
∅G
BSP
6x1M165154127M101/2″
6X2M165154127M101/2″
6X3M165154127M101/2″
8X1215184156M101/2″
8X2215184156M101/2″
8X3215184156M101/2″
10X1260210181M101/2″
10X2260210181M101/2″
10X3260210181M101/2″

Durabilidade e Garantia.
Garantia de Qualidade.
Contacte-nos

Descrição

MONTAMOS POR MEDIDA