Cilindro Pneumático ISO6431-VDMA-ANFOR NFE 49-003
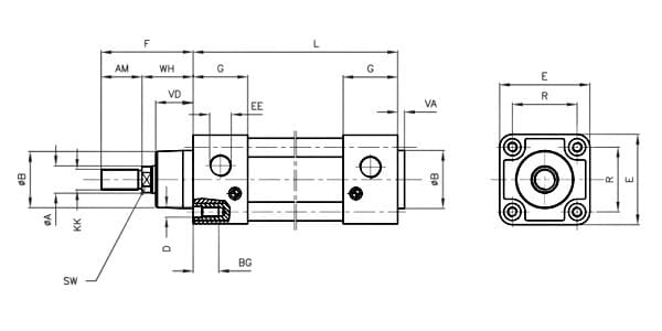
Descrição
MONTAMOS O SEU CILINDROPOR MEDIDA
Cilindros ∅32
Cilindros ∅40
Cilindros ∅50
Cilindros ∅63
Cilindros ∅80
Cilindros ∅100
Cilindros ∅125
Cilindros ∅160
Cilindros ∅200

| ∅ Cilindros | 32 |
| A | 12 |
| B | 30 |
| D | M6 |
| E | 47 |
| F | 48 |
| G | 28 |
| L | 94 |
| R | 32.5 |
| AM | 22 |
| BG | 16 |
| EE(bsp) | 1/8″ |
| KK | M10X1.25 |
| SW | 10 |
| VA | 4 |
| VD | 20 |
| WH | 26 |
| Força (6bar)Avanço | 44 |
| Força (6bar)Recuo | 38 |
| Código | 16.100XXXX |

| ∅ Cilindros | 40 |
| A | 16 |
| B | 35 |
| D | M6 |
| E | 53 |
| F | 54 |
| G | 31.5 |
| L | 105 |
| R | 38 |
| AM | 24 |
| BG | 16 |
| EE(bsp) | 1/4″ |
| KK(M) | 12X1.5 |
| SW | 13 |
| VA | 4 |
| VD | 22 |
| WH | 30 |
| Força(6bar)Avanço | 69 |
| Força(6bar)Recuo | 54 |
| Código | 16.200.XXXX |

| ∅Cilindros | 50 |
| A | 20 |
| B | 40 |
| D | M8 |
| E | 65 |
| F | 69 |
| G | 31.5 |
| L | 106 |
| R | 46.5 |
| AM | 32 |
| BG | 16 |
| EE(bsp) | 1/4″ |
| KK(M) | 16X1.5 |
| SW | 16 |
| VA | 4 |
| VD | 28 |
| WH | 37 |
| Força(6bar)Avanço | 110 |
| Força(6bar)Recuo | 95 |
| Código | 16.300.XXXX |

| ∅Cilindros | 63 |
| A | 20 |
| B | 45 |
| D | M8 |
| E | 75 |
| F | 69 |
| G | 35 |
| L | 121 |
| R | 56.5 |
| AM | 32 |
| BG | 16 |
| EE(bsp) | 3/8″ |
| KK(M) | 16X1.5 |
| SW | 16 |
| VA | 4 |
| VD | 28 |
| WH | 37 |
| Força(6bar)Avanço | 178 |
| Força(6bar)Recuo | 154 |
| Código | 16.400.XXXX |

| ∅Cilindros | 80 |
| A | 25 |
| B | 45 |
| D | M10 |
| E | 95 |
| F | 86 |
| G | 36 |
| L | 128 |
| R | 72 |
| AM | 40 |
| BG | 16 |
| EE(bsp) | 3/8″ |
| KK(M) | 20X1.5 |
| SW | 21 |
| VA | 4 |
| VD | 34 |
| WH | 46 |
| Força(6bar)Avanço | 291 |
| Força(6bar)Recuo | 268 |
| Código | 16.500.XXXX |

| ∅Cilindros | 100 |
| A | 25 |
| B | 55 |
| D | M10 |
| E | 115 |
| F | 91 |
| G | 41 |
| L | 138 |
| R | 89 |
| AM | 40 |
| BG | 16 |
| EE(bsp) | 1/2″ |
| KK(M) | 20X1.5 |
| SW | 21 |
| VA | 4 |
| VD | 38 |
| WH | 51 |
| Força(6bar)Avanço | 458 |
| Força(6bar)Recuo | 415 |
| Código | 16.600.XXXX |

| ∅Cilindros | 125 |
| A | 32 |
| B | 60 |
| D | M12 |
| E | 140 |
| F | 119 |
| G | 45 |
| L | 160 |
| R | 110 |
| AM | 54 |
| BG | 20 |
| EE(bsp) | 1/2″ |
| KK(M) | 27X2 |
| SW | 27 |
| VA | 5 |
| VD | 50 |
| WH | 65 |
| Força(6bar)Avanço | 721 |
| Força(6bar)Recuo | 679 |
| Código | 16.700.XXXX |

| ∅Cilindros | 160 |
| A | 40 |
| B | 65 |
| D | M16 |
| E | 180 |
| F | 152 |
| G | 49 |
| L | 180 |
| R | 140 |
| AM | 72 |
| BG | 24 |
| EE(bsp) | 3/4″ |
| KK(M) | 36X2 |
| SW | 36 |
| VA | 5 |
| VD | 50 |
| WH | 80 |
| Força(6bar)Avanço | 1186 |
| Força(6bar)Recuo | 1110 |
| Código | 16.800.XXXX |

| ∅Cilindros | 200 |
| A | 40 |
| B | 75 |
| D | M16 |
| E | 180 |
| F | 167 |
| G | 49 |
| L | 180 |
| R | 175 |
| AM | 72 |
| BG | 24 |
| EE(bsp) | 3/4″ |
| KK(M) | 36X2 |
| SW | 36 |
| VA | 5 |
| VD | 60 |
| WH | 95 |
| Força(6bar)Avanço | 1861 |
| Força(6bar)Recuo | 1785 |
| Código | 16.900.XXXX |









