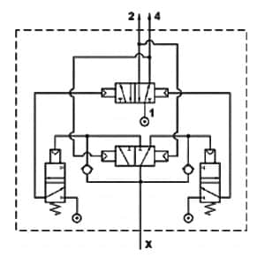
Flip-Flop Comando Pneumático
| Código |
Vias | Rosca | Pressão de Acionamento (bar) |
Pressão de Trabalho (bar) |
Temperaturas de Trabalho |
| 10.035.4 | 5/2 | 1/4″ | 2 a 10 | 3 a 10 | max. +60ºC |
Flip-Flop Comando Pneumático.
Este é um dispositivo de grande fluxo , através da aplicação de uma pressão piloto, pneumático ou elétrico para apontar X , irá , por exemplo, estender e retrair um cilindro de dupla ação .
A válvula de “flip-flop ” requer dois sinais piloto para um ciclo completo : um sinal momentâneo para estender o curso do cilindro e um momentâneo para retrair . Um sinal piloto mantido rá gerar uma metade do ciclo . A válvula permanecerá nesta posição até que o sinal se encontre esgotado e , em seguida, aplicado novamente.
Materiais
Corpo=Aluminio 11S
Molas=Inox
Spools=Aluminio Niquelado
Partes Internas=Latão OT58
Para mais Informações por favor, Consulte-nos.









