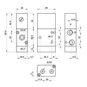
Válvula 5/2 Oscilante Comando Eléctrico Standard – 1/4″
| Código |
Vias | Rosca | Pressão de Acionamento (bar) |
Pressão de Trabalho (bar) |
Temperaturas de Trabalho |
| 01.089.4 | 5/2 | 1/4″ | 3 a 10 | 2 a 10 | max. +60ºC |
Oscilante Comando Elétrico Standard.
Funcionamento da válvula
É um dispositivo de alto fluxo que permite que um cilindro de dupla ação pneumático, aumentar ou diminuir automaticamente o fluxo sem a necessidade de chaves fim de curso. A frequência das fases está definido por meio dos dois parafusos de ajuste, que são colocados no final da válvula oscilante e protegido por uma cobertura. Um parafuso é utilizado para definir ou retrair tempo de permanência e o outro é para definir ou estender tempo de permanência. A pedido os parafusos de ajuste podem ser montados em painel de comando remoto.Versão standard:
código 01.044.4 Oscilações são activados apenas por pressão do sistema.
código 01.046.4 Oscilações são activados por um sinal piloto constante
no ponto X. Esta pressão pode ser independente da pressão na porta 1.
código 01.008.3 Oscilações são activados por um sinal elétrico
com fornecimento de ar separado. Por conseguinte, é necessário aplicar para um ponto X
pressão piloto (que pode ser de um valor diferente para a porta 1) e um
sinal eléctrico para o piloto solenóide.
Versão com recurso de re-início:
Quando a pressão do sistema é aplicado ou removido, a válvula automática move-se para a posição inicial assegurando que nenhum dispositivo é deixado , semi-atuado.
código 01.089.4 Oscilações são activados por um sinal piloto constante no ponto X.
código 01.070.3 Oscilações são activados por um sinal eléctrico
com fornecimento de ar separado.
Materiais
Corpo=Aluminio 11S
Molas=Inox
Spools=Aluminio Niquelado
Partes Internas=Latão OT58











