Vibrador Pneumático Série AC(Pistão)
Arranque rápido.
Altas Frequências.
Lubrificação miníma.
| Código | BIAC2 | BIAC5 |
| RPM(min.) | 7.000 | 3.000 |
| Força Centr.(N) | 420 | 1.360 |
| Cons.(Lt./min) | 120 | 470 |
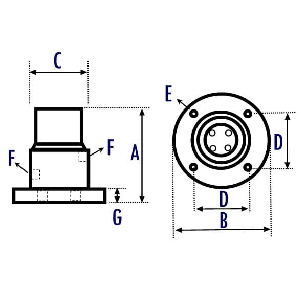
| Dimensões série AC | |||||||
| Modelo | A | B | C | D | E | F | G |
| AC2 | 77 | 80 | 50 | 46 | 6.5 | 1/8″ | 10 |
| AC5 | 162 | 90 | 68 | 57 | 10.5 | 1/4″ | 12 |
Também disponível com certificação ATEX.
Contacte-nos











