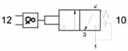
Válvula 3/2 – 1/4″ “E” NF Comando Pneumático,retorno mola integrada ou elemento
| Código | ∅Rosca | Simbologia |
| 322ANDM | 1/4″ | ![]() |
Para mais Informações por favor, Consulte-nos.
TRR (12): 15 ms |
|
materiais
- Corpo: anodizado 11S alumínio
- Comando e corpo: polímero (*)
- Veio: Alumínio níquel-11S
- Vedantes: NBR
- Molas de aço inoxidável
- As peças internas: latão OT 58
Para mais Informações por favor, Consulte-nos.










