Válvula Oscilante com Elemento 2X ”Não”-1/8″
| Código | Vias | Rosca | Pressão de Acionamento (bar) |
Pressão de Trabalho (bar) |
Temperaturas de Trabalho |
| 01.029.4 | 5/2 | 1/8″ | 3 a 7 | 2 a 7 | max. +60ºC |
Oscilante C/Elemento 2X”Não”.
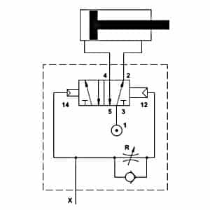
Funcionamento da válvula
É um dispositivo de alto fluxo, que permite que um cilindro de dupla ação ou equipamento pneumático análogo, aumentar ou diminuir automaticamente o fluxo sem a necessidade de chaves fim de curso. A frequência das fases está definido pela regulação dos escapes 3 e 5 utilizando RSW 1/8 “e 1/4 RSW”,que são comprados separadamente. Quando accionado o sinal é aplicado ou removido a válvula move-se automaticamente para a posição inicial garantindo que não há dispositivos em numa posição semi-atuada. Dispositivo manual é integrado para re-ativar o Oscilador se ele for acidentalmente bloqueado.
Quatro tipos de válvula oscilante estão disponíveis:
código 10.017.3 G1 / 8 “não com, solenóide acionado.
Ele requer um sinal de solenóide para activar as oscilações.
código 10.019.3 G1 / 4 “não com, solenóide acionado.
Ele requer um sinal de solenóide para activar as oscilações.
código 10.029.4 G1 / 8 “com NÃO, pneumaticamente pilotado.
Ele requer um sinal pneumático no ponto X para activar as oscilações.
código 10.027.4 G1 / 4 “com NÃO, pneumaticamente pilotado.
Ele requer um sinal pneumático no ponto X para activar as oscilações.Materiais
Corpo=Aluminio 11S
Molas=Inox
Spools=Aluminio Niquelado
Partes Internas=Latão OT58










